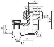
7302(外螺纹内螺纹转换接头90°弯)


|
编码 |
型号 |
螺纹 |
管子外径 |
尺寸 |
压力等级 | |||||||
|
E |
F |
D1 |
D2 |
l1 |
L1 |
L2 |
S1 |
S2 |
S3 |
MPa | ||
|
CH632900100 |
7302-12-12 |
M12×1.5 |
M12×1.5 |
6 |
6 |
12 |
27 |
26 |
12 |
14 |
14 |
25轻系列L |
|
CH632900200 |
7302-14-14 |
M14×1.5 |
M14×1.5 |
8 |
8 |
14 |
29 |
27.5 |
12 |
17 |
17 | |
|
CH632900300 |
7302-16-16 |
M16×1.5 |
M16×1.5 |
10 |
10 |
15 |
30 |
29 |
14 |
19 |
19 | |
|
CH632900400 |
7302-18-18 |
M18×1.5 |
M18×1.5 |
12 |
12 |
17 |
32 |
29.5 |
17 |
22 |
22 | |
|
CH632900500 |
7302-22-22 |
M22×1.5 |
M22×1.5 |
15 |
15 |
21 |
36 |
32.5 |
19 |
27 |
27 | |
|
CH632900600 |
7302-26-26 |
M26×1.5 |
M26×1.5 |
18 |
18 |
23.5 |
40 |
35.5 |
24 |
32 |
32 | |
|
CH632900700 |
7302-30-30 |
M30×2 |
M30×2 |
22 |
22 |
27.5 |
44 |
38.5 |
27 |
36 |
36 |
16轻系列L |
|
CH632900800 |
7302-36-36 |
M36×2 |
M36×2 |
28 |
28 |
30.5 |
47 |
41.5 |
36 |
41 |
41 | |
|
CH632900900 |
7302-45-45 |
M45×2 |
M45×2 |
35 |
35 |
34.5 |
56 |
51 |
41 |
50 |
50 | |
|
CH632901000 |
7302-52-52 |
M52×2 |
M52×2 |
42 |
42 |
40 |
63 |
56 |
50 |
60 |
60 | |
|
CH632901100 |
7302-14-14S |
M14×1.5 |
M14×1.5 |
6 |
6 |
16 |
31 |
27 |
12 |
17 |
17 |
63重系列S |
|
CH632901200 |
7302-16-16S |
M16×1.5 |
M16×1.5 |
8 |
8 |
17 |
32 |
27.5 |
14 |
19 |
19 | |
|
CH632901300 |
7302-18-18S |
M18×1.5 |
M18×1.5 |
10 |
10 |
17.5 |
34 |
30 |
17 |
22 |
22 | |
|
CH632901400 |
7302-20-20S |
M20×1.5 |
M20×1.5 |
12 |
12 |
21.5 |
38 |
31 |
17 |
24 |
24 | |
|
CH632901500 |
7302-22-22S |
M22×1.5 |
M22×1.5 |
14 |
14 |
22 |
40 |
35 |
19 |
27 |
27 | |
|
CH632901600 |
7302-24-24S |
M24×1.5 |
M24×1.5 |
16 |
16 |
24.5 |
43 |
36.5 |
24 |
30 |
30 |
40重系列S |
|
CH632901700 |
7302-30-30S |
M30×2 |
M30×2 |
20 |
20 |
26.5 |
48 |
44.5 |
27 |
36 |
36 | |
|
CH632901800 |
7302-36-36S |
M36×2 |
M36×2 |
25 |
25 |
30 |
54 |
50 |
36 |
46 |
46 | |
|
CH632901900 |
7302-42-42S |
M42×2 |
M42×2 |
30 |
30 |
35.5 |
62 |
55 |
41 |
50 |
50 | |
|
CH632902000 |
7302-52-52S |
M52×2 |
M52×2 |
38 |
38 |
41 |
72 |
63 |
50 |
60 |
60 |
31.5重系列S |